| Sign In | Join Free | My enlightcorp.com |
|
Brand Name : ATMEL
Model Number : AT89C2051-24PU
Certification : Original Factory Pack
Place of Origin : Original
MOQ : 5pcs
Price : Negotiation
Payment Terms : T/T, Western Union,PayPal
Supply Ability : 290PCS
Delivery Time : 1 Day
Packaging Details : please contact me for details
Operating Range : 2.7V to 6V
Fully Static Operation : 0 Hz to 24 MHz
Internal RAM : 128 x 8-bit
Low Offset Voltage : 150 µV, max
Noise : 18 nV/√Hz, G ≥ 100
8-bit Microcontroller with 2K Bytes Flash
AT89C2051
Features
• Compatible with MCS®-51Products
• 2K Bytes of Reprogrammable Flash Memory
– Endurance: 10,000 Write/Erase Cycles
• 2.7V to 6V Operating Range
• Fully Static Operation: 0 Hz to 24 MHz
• Two-level Program Memory Lock
• 128 x 8-bit Internal RAM
• 15 Programmable I/O Lines
• Two 16-bit Timer/Counters
• Six Interrupt Sources
• Programmable Serial UART Channel
• Direct LED Drive Outputs
• On-chip Analog Comparator
• Low-power Idle and Power-down Modes
• Green (Pb/Halide-free) Packaging Option
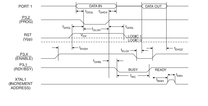
Flash Programming and Verification Waveforms
|
|
8 bit Microcontroller Integrated Circuit Chip with 2K Bytes Flash , AT89C2051-24PU Images |